Die Volltextsuche von 1000PS
(150.319)
Einen kleinen Augenblick bitte,
Suchergebnisse werden geladen...
Bei der Montage der Kurbelwelle empfiehlt es sich, Lager, Dichtsatz und Wellendichtringe ebenfalls zu erneuern. Deshalb werden passende Ersatzlager und Dichtsätze gleich mit angeboten, damit für die Montage alles Nötige vorhanden ist.Dichtsatz: mit allen Dichtungen für den Motor.
Die SIP PERFORMANCE Seilzüge sind eine Revolution unter den Rollerseilzügen Manchmal kann eine kleine Ursache eine große Wirkung entfalten. Das trifft auch und gerade auf die alte Technik von Schaltrollern zu. Das hier die Seilzüge für die Funktion eine große Rolle spielen ist kein Geheimnis. Die Bedienung kaum eines Fahrzeuges findet mit so langen und umständlich verlegten Zügen statt, wie die der klassischen Vespa und Lambretta Roller. Das führt zu einem indirekten Gefühl bei der Bedienung und erhöht die
Die Wahl der Nebendüse wirkt sich beim SHB Vergaser vor allem auf den unteren und mittleren Drehzahlbereich aus. Läuft der Roller im Standgas unruhig, kann dies durch die Auswahl einer geeigneten Nebendüse behoben werden. Die Nebendüsen für den SHB gibt es je nach Vergasermodell in einer kurzen und einer langen Ausführung. Wir haben die kurzen Düsen in den Größen 30 bis 60, die langen Düsen in den Größen 40 bis 60, jeweils von DELL`ORTO. Im Gegensatz zum SI Vergaser gilt hier: Je kleiner der Wert, desto mag
Hauptdüse für DELL’ORTO PHB präzise Kraftstoffdosierung für den mittleren und oberen Drehzahlbereich.Die Hauptdüse sorgt dafür, dass immer die exakt richtige Menge an Benzin für die Vormischung zur Verfügung steht. Wird die Hauptdüse verändert, wirkt sich das vor allem auf den mittleren und oberen Drehzahlbereich aus. Bei den PHB Vergasern kommt eine 6 mm Hauptdüse zum Einsatz. Die Düsengröße steigt in 1er bis 3er Schritten an die Düsen werden dabei zunehmend fetter.Im Sortiment sind die Düsen sowohl einzel
Kurbelwellen für klassische Vespa-Motoren: sinnvoller Tausch bei der MotorüberholungBei alten Motoren sind Kurbelwellen häufig fest, oder der Drehschieber ist angerostet. Oft sind auch Lager- und Wellendichtringsitze eingelaufen, Pleuellager ausgeschlagen oder Konen und Keilnuten beschädigt. Daher sollte bei einem größeren Motorservice die Kurbelwelle mit erneuert werden.Die SIP Kurbelwellen sind Made in Italy“ und zeichnen sich durch besonders gute Qualität aus. Die SIP PREMIUM Kurbelwellen dienen als Ersa
The silent performers! Der Touring“ gehört zur Spezies Wolf im Schafspelz“: eine dezente Leistungssteigerung mit mehr Drehmoment und besserem Durchzug bei angenehm niedrigen Klangwerten.Gefertigt aus Stahl und bei den meisten Modellen mit E-Pass, richtet sich dieser Auspuff an alle, die im Alltag spürbar mehr Fahrbarkeit möchten, ohne dabei unnötig laut aufzutreten. Die konische Expansionskammer unterstützt vor allem den Durchzug, sorgt je nach Setup für eine höhere Endgeschwindigkeit und bleibt dabei preis
Ersatz Schloss für das Gepäckfach. Idealer zum Austausch bei Defekt oder verlorenem Schlüssel. Viele klassische Schaltroller haben im Laufe ihres langen Lebens wiederholt den Besitzer gewechselt, oder auch Jahrzehnte im Dornröschenschlaf verbracht. Deshalb kommt es immer wieder vor, dass die Fahrzeuge heute ohne Gepäckfachschlüssel dastehen. Warum ein neues Gepäckfachschloss?Perfekter Ersatz bei verlorenem Schlüssel Ideal zum Austausch bei Defekt Für fast alle Modelle lieferbar Selbst wenn die Schlüssel sor
Reserveradabdeckung aus Kunstleder kaschiert 8- und 10-Zoll-Reserveräder an Beinschild oder Heck. Große Designauswahl, bei vielen 10-Zoll-Varianten auch in EU-Landesfarben erhältlich.Ein Reserverad ist unterwegs praktisch, wirkt optisch aber oft wie ein Fremdkörper. Die universellen Abdeckungen aus Kunstleder überdecken das Ersatzrad sauber und schützen es vor Schmutz. Auf der Rückseite sorgt ein Gummizug für eine schnelle, unkomplizierte Montage passend für Reserveräder am Beinschild oder am Heck. Je nach
Hier handelt es sich um ein original PIAGGIO Ersatzteil in erstklassiger Qualität. PIAGGIO Teile werden einer aufwändigen Qualitätssicherung unterzogen und stehen für lange Lebensdauer.
Beschreibung (Mutter M10x1,5 mm vierkant, Schraube Lenkkopf) ist in Bearbeitung
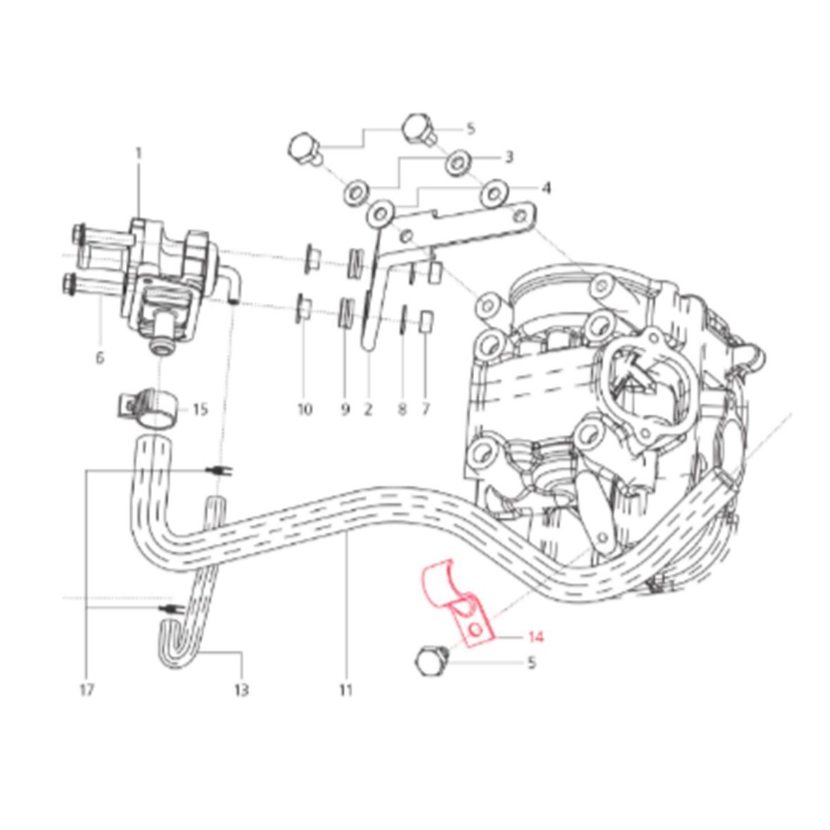
Beschreibung (Hauptbremszylinder BRAKING Bremse rechts) ist in Bearbeitung
Die richtige für jeden Look. Bremstrommeln für GRIMECA Scheibenbremsen der PX und PK Gabeln. Scheibenbremstechnik ist eine wichtige Aufwertung von Sicherheit und Fahrspaß an alten Vespa Modellen mit Trommelbremsen. Allerdings verändert die Technik auch den Look der Gabel und des Vorderrades entscheidend. 5 verschiedene Looks erhältlich Passend für 16mm und für 20mm Achsen Beste Qualität vom Erstausrüster Lange waren die Bremstrommeln oder besser die Aufnahmen für die Bremsscheiben nur in zwei optischen Vari
Hochwertiger, CNC gefräster Flansch für das Hinterrad der PIAGGIO Mofas Jeder von uns kennt das Problem mit den üblicherweise erhältlichen minderwertigen Lagern und Hinterradflansch für unsere PIAGGIO Ciao, Bravo und Co. Aus diesem Grund haben sich die Schweizer von swiing - swiss ingenious etwas ganz besonders überlegt, den Hinterradflansch als Racing-Version.Was sind die Vorteile des swiing Hinterradflanschs?Aluminium CNC gefrästEloxiertHohe Stabilität und RadführungDer Hinterradflansch oder auch Dreieck-
Um den MOD Style perfekt zu machen, darf natürlich auch ein Spritzlappen nicht fehlen. Je nach Ausführung sind diese rot, schwarz oder blau gestreift (mit oder ohne Vespa-Schriftzug), schwarz-weiß kariert oder im Vintage Look erhältlich. Für die Montage am Heck müssen im Kennzeichenhalter Löcher gebohrt und die Spritzlappen mittels Nieten oder Schrauben befestigt werden. So schützen sie nicht nur den eigenen Roller, sondern auch den Hintermann vor Steinen, Schmutz und Spritzwasser. Am vorderen Kotflügel mon
Beschreibung (Blinkerglas GY6 hinten rechts) ist in Bearbeitung
Sitzbänke gehören zu den am stärksten beanspruchten Bauteilen einer klassischen Vespa und leiden oft besonders unter Alterung und Witterung.Meist sind alte Vespas jahrelang Wind und Wetter ausgesetzt. Vom Blizzard bis zum Wüstensturm fegt über die Jahre alles einmal über den Roller. Besonders die Sitzbänke werden dabei stark in Mitleidenschaft gezogen: Sie bleichen aus, bekommen Risse und reißen schließlich ein. Der Schaumstoff saugt sich mit Feuchtigkeit voll und beschert bei jedem Ausritt ein nasses Hinte
Mutter zur Montage des Tachohalteblechs am Tacho.
Sobald ein Vergaser einige 10.000km geleistet hat, lange nicht bewegt worden ist, er übermäßig tropft, dann sollte er gründlich gereinigt und mit neuen Dichtungen, O-Ringen ausgestattet werden. Jede Motorkomponete wird verbessert. Nur die Dichtungen nicht. Daher lassen wir unsere SIP PREMIUM Vergaser Dichtsätze bei einer renommierten italienischen Dichtungsfirma produzieren und ersetzen alle Papierdichtungen durch Aramid-Faser Dichtungen. Dieses Material ist eine asbestfreie Mischung zelluloser und syntheti
Zylinderkits als Ersatz für verschlissene Originalzylinder. Standard-Kits in 1:1-Originalausführung, teils auch PIAGGIO, inklusive komplettem Kolben.Je älter ein Fahrzeug ist und je mehr Kilometer der Motor gelaufen hat, desto eher wird der Austausch des originalen Zylinders nötig. Laufbahnen sind oft abgenutzt, haben Kolbenklemmer oder -fresser hinter sich oder sind eingelaufen. Dafür stehen günstige Standard-Zylinderkits zur Verfügung, die den Originalen 1:1 entsprechen Abmessungen, Leistung, Optik und Pa
Motordichtsätze für die Motorrevision: Dichtungen komplett für den NeuaufbauSobald ein Motor einige Zehntausend Kilometer geleistet hat, lange stand, getunt wird oder übermäßig Öl verliert, ist eine gründliche Motorrevision sinnvoll. Dabei werden typischerweise Lager, Dichtungen, Wellendichtringe, Schaltkreuz und Primärkomponenten erneuert.Alle dafür benötigten Motordichtungen sind in den Motordichtsätzen enthalten. Standard-Dichtsätze stammen meist von RMS Classic oder CENTAURO. Dichtsätze von PIAGGIO unte
MALOSSI Red Filter hochwertige Luftfilterlösungen mit Rennsport-Know-how.Die Red Filter von MALOSSI gehören zu den besten am Markt. Dabei profitiert MALOSSI von umfangreichen Rennsporterfahrungen. Die Red Filter sind in den Versionen E5, E13 sowie als Red Sponge erhältlich dem Standard-Luftfilterelement.Der MALOSSI Red Sponge ist ein Standard-Luftfiltereinsatz aus selbstlöschendem, rotem Polyurethanschaum. Er bietet hohen Luftdurchsatz bei sehr guter Filterleistung und lässt sich besonders einfach montieren
Hier handelt es sich um ein original PIAGGIO Ersatzteil in erstklassiger Qualität. PIAGGIO Teile werden einer aufwändigen Qualitätssicherung unterzogen und stehen für lange Lebensdauer.
Beschreibung (Aufkleber mit Motiv E5/E10) ist in Bearbeitung
Gepäckträger hinten mehr Stauraum für Alltag und Touren, klappbar oder starr je nach Einsatzzweck.Gepäckträger sind ideale Begleiter für kurze Wege und lange Reisen. Ob Schulweg oder große Tour der verfügbare Stauraum auf dem Roller wird deutlich erweitert. Wer mit viel Gepäck unterwegs ist, sollte dabei auf eine sinnvolle Gewichtsverteilung achten: Überladene Gepäckträger, vorne wie hinten, können das Fahrverhalten spürbar negativ beeinflussen. Ein passendes Sportfahrwerk kann hier helfen, den Roller trotz