Die Volltextsuche von 1000PS

(150.089)
Filtern
Laden

Einen kleinen Augenblick bitte,
Suchergebnisse werden geladen...

NOS New Old Stock: originale Lagerware mit Patina und echter Seltenheitswert.NOS steht für New Old Stock“: originale Altbestände, keine Replika, kein Kunststoffabguss sondern gute, alte Ware, an der Staub und der typische Lagergeruch von Jahrzehnten hängen. Ausgeblichene Verpackungen, Logos von vorgestern, dafür klassische Qualität. Beim Auspacken entsteht fast das Gefühl, eine kleine Zeitkapsel zu öffnen.Achtung: NOS-Teile können leichten Flugrost oder altersbedingte Lagerspuren aufweisen je nachdem, was ü

Neben dem serienmäßig verbauten Tankdeckel, der je nach Modell klappbar oder zum Schrauben ist, gibt es auch eine abschließbare Version wahlweise aus Kunststoff oder in Chrom. Schlüssel sind immer im Lieferumfang enthalten.SIP-TIPP: Passende Dichtung für den Tankdeckel gleich mitbestellen

Leider sind für viele Vespa-Modelle keine kompletten Zündgrundplatten mehr erhältlich. Daher führen wir alle noch lieferbaren Einzelteile im Sortiment: Zündspulen, Speisespulen, Unterbrecher, Kondensatoren, Pick-ups usw.PIAGGIO hat die Speisespulen über die Jahre und je nach Land immer wieder variiert. Deshalb sind selbst Modellangaben der Hersteller nur bedingt verlässlich. Zudem finden sich in vielen alten Vespas Spulen, die nachträglich verbaut wurden. Bei den Spulen geben wir daher alle uns bekannten De

Düsen gehören zum Pflichtsortiment für jeden Rollerfahrer. Schon bei kleinen Tuningmaßnahmen müssen die Hauptdüsen (HD) für den Volllastbereich meist angepasst werden, während die Nebendüsen (ND) für Leerlauf und Teillast zuständig sind.DELL’ORTO Hauptdüse (HD) 6 mm, Größe 50170HD für PHBL/PHVA/PHVB/VHS sowie MIKUNI VM1620 und GURTHNER PAA/PYA/PYM, in den Abstufungen 50, 52, 55, 58, 60,

Schrauben für die Motorhälften klassischer Vespa Modelle in hochfest und in verschiedenen Farben von SIP. Die Schrauben, die die Motorhälften klassischer Vespa Modelle miteinander verbinden, sind oftmals nicht mehr in der richtigen Länge oder nur in schlechter Qualität zu finden. Härte 10.9 Alle notwendigen Längen verfügbar In schwarz und in Chrom erhältlich Wir haben alle Motorschrauben klassischer Vespa Modelle neu aufgelegt. Alle original verwendeten Längen sind erhältlich. Für einen perfekten Sitz ist d

Beschreibung (Schwingenabdeckung CARBONE C5872-N) ist in Bearbeitung

Die Luftfiltereinsätze von PIAGGIO/RMS/CIF sind Standardeinsätze, wie sie auch von Erstausrüstern verbaut werden. Top Quality zum günstigen Preis! Einige Luftfiltereinsätze von PIAGGIO gibt es auch als PREMIUM Einsätze. Diese bieten den Vorteil, dass sie mehr Luft durchlassen und die kontaminierten Partikel reduziert werden. Die Motorleistung wird dadurch verbessert. Das Material der PREMIUM Luftfiltereinsätze ist hochwertiger.

Wir führen ein sehr großes Sortiment an originalen LML Ersatzteilen für die indische Lizenz-Vespa. Besonders die LML Star 4T erfreut sich weltweit einer größeren Beliebtheit. Die LML Teile haben eine gute Qualität und ein gutes Preis-/Leistungsverhältnis. Sie können auch auf vielen Vespamodellen verbaut werden und sind manchmal die einzige Alternative zu Gebrauchtteilen. Hinweis:LML hat 2019 seine Tore für immer geschlossen. Es finden keine direkten Lieferungen von LML mehr statt. Wir haben Lagerbestände vo

Wir führen ein sehr großes Sortiment an originalen LML Ersatzteilen für die indische Lizenz-Vespa. Besonders die LML Star 4T erfreut sich weltweit einer größeren Beliebtheit. Die LML Teile haben eine gute Qualität und ein gutes Preis-/Leistungsverhältnis. Sie können auch auf vielen Vespamodellen verbaut werden und sind manchmal die einzige Alternative zu Gebrauchtteilen. Hinweis:LML hat 2019 seine Tore für immer geschlossen. Es finden keine direkten Lieferungen von LML mehr statt. Wir haben Lagerbestände vo

Hier handelt es sich um ein original PIAGGIO Ersatzteil in erstklassiger Qualität. PIAGGIO Teile werden einer aufwändigen Qualitätssicherung unterzogen und stehen für lange Lebensdauer.

MALOSSI Membranplättchen feine Abstimmung für Ansaugung, Ansprechverhalten und DrehzahlEin weiteres kleines, aber entscheidendes Feature im Vergaserzubehörbereich sind die Membranplättchen. Im Gegensatz zu Standardplättchen aus Stahl oder GFK verkraften Tuningplättchen aufgrund ihrer Beschaffenheit auch Drehzahlen jenseits von 10.000 U/min. Diese Membranplättchen sorgen für ein besseres Ansprechverhalten des Motors und eine stärkere Beschleunigung, vor allem im unteren Drehzahlbereich. Ein wichtiger Vorteil

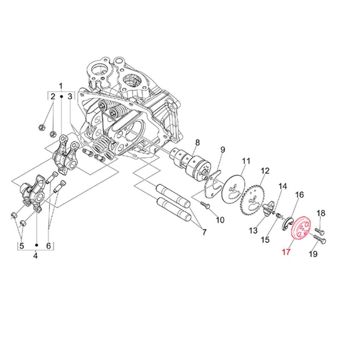
Hinweis: Dieses Teil ist beim Kauf eines SIP BFA Motorgehäuses im Lieferumfang enthalten.

Unser SIP Pordoi Custom ist alles andere als Standard. Von vorne bis hinten zieren neu entwickelte Teile und in Handarbeit hergestellte Produkte die Vespa. Angefangen beim handgefertigten Carbon-Kotflügel über die eigens kreierte Kaskade, den gedroppten Lenker, die gesamte LED Beleuchtung bis hin zu den CNC gefrästen Anbauteilen wie Schwinge, Felgen, diverse Abdeckungen, Bremshebel und Öleinfüllschrauben ist hier nichts mehr original. Anstatt einfach vorhandene Teile von der Stange zu verbauen haben wir uns

Beschreibung (Stoßstange CUPPINI Kotflügel vorne) ist in Bearbeitung

Hier handelt es sich um ein original PIAGGIO Ersatzteil in erstklassiger Qualität. PIAGGIO Teile werden einer aufwändigen Qualitätssicherung unterzogen und stehen für lange Lebensdauer.

Innovativer Lufteinlass für den Variodeckel.Der für die Frischluft zuständige Lufteinlass am Variodeckel ist serienmäßig aus schlichtem, schwarzem Plastik. Etwas spannender sind da die verschiedenen erhältlichen Deckel aus schwarzen oder silbernen Kunststoff von ZELIONI. Wer aufs Ganze gehen will, der kommt um den Lufteinlass von ZELIONI nicht herum.

Kategorie: Online-Shop

BRAKE POWER DISC Bremsscheibe Malossi hat den Sicherheitsgedanken fortgesetzt mit der kompletten Entwicklung einer Bremsscheiben und Bremsklötzelinie. Die neuen Malossi Bremsscheiben repräsentieren die modernste verfügbare Technologie: - sie sind lasergeschnitten, um engste Toleranzen einhalten zu können - die Reibflächen müssen absolut parallel sein und genaueste Reibeigenschaften aufweisen - die Lochung der Scheiben stellt sicher, dass auch unter härtesten Bedingungen d

ARIETE ist OEM Zulieferer für diverse Motorradhersteller und hat bereits die klassischen Vespa und Lambretta Modelle mit ihren Gummiteilen ausgestattet. Seit 1946 steht ARIETE für die hervorragende Qualität ihrer Produkte. Die Gummiteile sind alle zu 100% Made in Italy“ und überzeugen durch die perfekte Qualität und Passgenauigkeit.

Hier handelt es sich um ein original PIAGGIO Ersatzteil in erstklassiger Qualität. PIAGGIO Teile werden einer aufwändigen Qualitätssicherung unterzogen und stehen für lange Lebensdauer.

Bei Arbeiten am Vergaser können die verbauten Papierdichtungen leicht beschädigt werden. Der Vergaser wird undicht, tropft und zieht Falschluft. Deshalb sollte man beim erneuten Zusammenbauen stets neue Dichtungen verwenden. Wir haben die Dichtungen für Vergaser/Vergaserwanne und Vergaserwanne/Motor für den SI 20.15-26.26 sowohl mit, als auch ohne Loch für die Getrenntschmierung verfügbar. Fazit: Ein Muss bei jeder Arbeit am Vergaser. SIP-TIPP: Für eine komplette Vergaserrevision am besten gleich den Dichts

Ein Flyscreen (bis zu einer Höhe von ca. 215mm) ist der ideale Kompromiss zwischen Optik und Funktion und ein Design Klassiker aus den 70er Jahren. Das fahren mit eine Flyscreen ist wesentlich angenehmer und komfortabler als komplett ohne Scheibe. Durch die geänderte Aerodynamik wird der Wind besser abgeleitet, trifft nicht mehr direkt auf der Brust auf, und die Verwirbelungen am Körper verringert. Dies bietet ein deutlich angenehmeres Fahrgefühl im Vergleich zum Betrieb ohne Scheibe.Wir vermessen alle Wind

Luftfilter mit hohem Durchsatz für engen Bauraum von FABBRI. Luftfilter sind für viele getunte Motoren von klassischen Vespa und Lambretta Rollern ein schwieriges Thema. Einerseits sollte die Luft, die durch die teuren Tuningkomponenten strömt, sauber sein. Andererseits ist der Bauraum bei der Verwendung von Tuningvergasern sehr eng. Auch soll der Luftfilter möglichst wenig der mit viel Arbeit und Geld erreichten Leistung schlucken. Ein Spagat, der für diese Bauteile schwer zu bewältigen ist. Platzsparend S

Beschreibung (Wellendichtring DRT 20x45x6,5 mm Lichtmaschinenseite (LIMA)) ist in Bearbeitung

Beschreibung (Dichtung Ansaugstutzen/Motor, 2-Loch, 078543) ist in Bearbeitung