Die Volltextsuche von 1000PS

(150.287)
Filtern
Laden

Einen kleinen Augenblick bitte,
Suchergebnisse werden geladen...

Beschreibung (Dichtung CASA LAMBRETTA, Zylinderkopf, 19011003) ist in Bearbeitung

Die meisten gebrauchten Vespen haben Rostschäden oder Dellen am Beinblech. Dies ist nicht nur hässlich, sondern auch gefährlich und wird vom TÜV beanstandet. Früher mussten diese Blechschäden aufwändig durch Karosseriebauer instand gesetzt werden. Doch mittlerweile haben wir für alle Rollermodelle und Schadensbilder die passenden Austauschbleche im Sortiment. Trittbleche, Bodenbleche, Reparaturbodenbleche - die Auswahl ist großDie Reparaturbodenbleche unterscheiden sich modellabhängig in der Breite, den Str

Beschreibung (Seilzug für PHBG 26B MALOSSI 22 5497B) ist in Bearbeitung

Hier handelt es sich um ein originales PIAGGIO Ersatzteil in erstklassiger Qualität. PIAGGIO Teile durchlaufen eine aufwendige Qualitätssicherung und stehen für eine lange Lebensdauer.

Hier handelt es sich um ein originales PIAGGIO Ersatzteil in erstklassiger Qualität. PIAGGIO Teile durchlaufen eine aufwendige Qualitätssicherung und stehen für eine lange Lebensdauer.

Stefano BENELLI ist seit den 80er Jahren mit einer Leidenschaft für alle möglichen benzingetriebenen Fahrzeuge, zwei- oder vierrädrig, infiziert. Besonders stark war diese Leidenschaft für 2-takt Motoren und natürlich für die Vespa. Seine ersten Tuningerfahrungen sammelte er hier und seine Entwicklungen wurden bei den ersten Italienischen Beschleunigungsrennen gefahren. Bald war die originale Auslegung des Vespa Getriebes mit den gestiegenen Leistungen überfordert. Schon zu Zeiten, als es in Deutschland nur

Passenden Ansaugstutzen zum Vergaser wählenWird ein neuer oder größerer Vergaser verbaut, muss auch ein passender Ansaugstutzen verwendet werden. Für DELL’ORTO SHB Standardvergaser (Smallframe mit Drehschieber) gibt es deshalb zahlreiche Ansaugstutzen mit einem Durchlass von 1624 mm. Bei der Bestellung ist jedoch Vorsicht geboten: Selbst bei gleichem Durchlass unterscheiden sich je nach Modell nicht nur der Biegeradius, sondern auch der Durchmesser des Vergaseranschlusses sowie die Befestigung mit zwei oder

Kontrolle von oberem und unterem Lenkkopflager bei schwammigem Fahrverhalten oder fehlendem Geradeauslauf.Sollte der Roller keinen sauberen Geradeauslauf haben oder sich schwammig fahren, empfiehlt sich die Kontrolle des oberen und unteren Lenkkopflagers. Die Funktion lässt sich bei entlastetem Vorderrad leicht prüfen: Fahrzeug auf den Hauptständer stellen und das Lenkrohr samt Radführung längs zur Fahrtrichtung hin- und her bewegen. Weist die Lenksäule Spiel auf, muss entweder die obere Mutter nachgezogen

Beschreibung (Motorbolzen M16x215 mm) ist in Bearbeitung

Blinker für Vespa PX MY/Millennium mit verchromtem Rahmen und weißem Glas, E-geprüft und passend für PX80200/PE/Lusso/T5 Classic, als Original-PIAGGIO- oder STELLA-Version.Die Blinker der Vespa MY/Millennium-Modelle kombinieren einen eleganten Chromrand mit weißen Gläsern und verfügen über eine E-Zulassung, sodass sie legal im Straßenverkehr verwendet werden dürfen. Die Blinkerkits von PIAGGIO kommen in hochwertig verchromten Kunststoffgehäusen mit sehr guter Passgenauigkeit, während die günstigere STELLA-V

Tuning-Wandler von POLINI und MALOSSI optimieren die Kraftübertragung eures Motors, verbessern Beschleunigung und Endgeschwindigkeit und sind ideal für leistungsstarke Setups.Was nützt der beste Tuning-Motor, wenn das Getriebe die Leistung nicht sauber auf die Straße bringt? Die Wandler von POLINI und MALOSSI setzen genau hier an: Durch zwei lineare Schlitze mit unterschiedlicher Steigung entsteht ein deutlich aggressiverer Abzug, während der originale Wandler mit seinem kurvenförmigen Schlitz oft für eine

Beschreibung (Düsen-/Zubehörkit MALOSSI fürEinstellung Camino/PX) ist in Bearbeitung

Im Motorsport ist neben der Motorleistung auch das Fahrzeuggewicht ausschlaggebend, neben Aluminium und Carbon kommt in der heutigen Zeit immer mehr Titan zum Einsatz. Zwar machen Schrauben und Muttern am Fahrzeug eher einen Bruchteil des Gesamtgewichts aus, dennoch liegt hier das Gewicht im Detail. Mit einer Gewichtsersparnis von bis zu 40% gegenüber herkömmlichen Stahlschrauben bringen Titanschrauben und Titanmuttern den letzten Feinschliff in Sachen Lightweight-Tuning und sehen in den verschiedenen Eloxa

Neu im Programm! Ganz frisch eingetroffen und ab jetzt bei uns erhältlich. Get it !

Welcher Farbton passt zu meinem Roller?Wir haben versucht, bei den Grautönen subjektive Bezeichnungen hellgrau, dunkelgrau, etc. zu vermeiden und sie RAL Classic Tönen zuzuordnen. RAL Farbtöne sind international, online zu finden oder am besten mit einem RAL Farbfächer, z.B. SIP Art.-Nr. 98889900 zu vergleichen. Aber selbst dabei gibt es unterschiedliche Auffassungen, welcher Grauton welchem RAL Farbton am besten entspricht. Dennoch glauben wir, dass diese Einordnung es erleichtert, Gummis gleichen Farbtons

Trittleistengummis für Vespa original meist in Schwarz, je nach Modell in Breite und Profilnasen unterschiedlich. Hochwertige ARIETE-Qualität oder günstige Repro-Varianten in verschiedenen Farben Lieferung als Meterware zum Zuschneiden.Trittleistengummis wurden serienmäßig in der Regel in Schwarz verbaut, unterscheiden sich jedoch je nach Ausführung in Breite und Anzahl der Profilnasen. ARIETE liefert hochwertige Gummis in sehr guter Qualität, zusätzlich sind auch günstigere Repro-Produkte in verschiedenen

Die Erfolgsgeschichte von PHILIPS begann vor 125 Jahren mit der Fertigung von Glühlampen. Gemeinsam mit seinem Vater Frederik gründete der Maschinenbau-Ingenieur Gerard Philips das Unternehmen Philips‘ Gloeilampenfabrieken". Sein Ziel: die Herstellung von 1.000 Glühlampen pro Tag. Bereits elf Jahre später konnten Gerard und sein Bruder Anton, der 1895 in das Geschäft mit einstieg, das ursprüngliche Ziel mit 3.600.000 produzierten Lampen um ein Vielfaches übertreffen: Philips wurde die zweitgrößte Glühlampen

Wir bieten komplette Bremszüge in Erstausstatterqualität an.

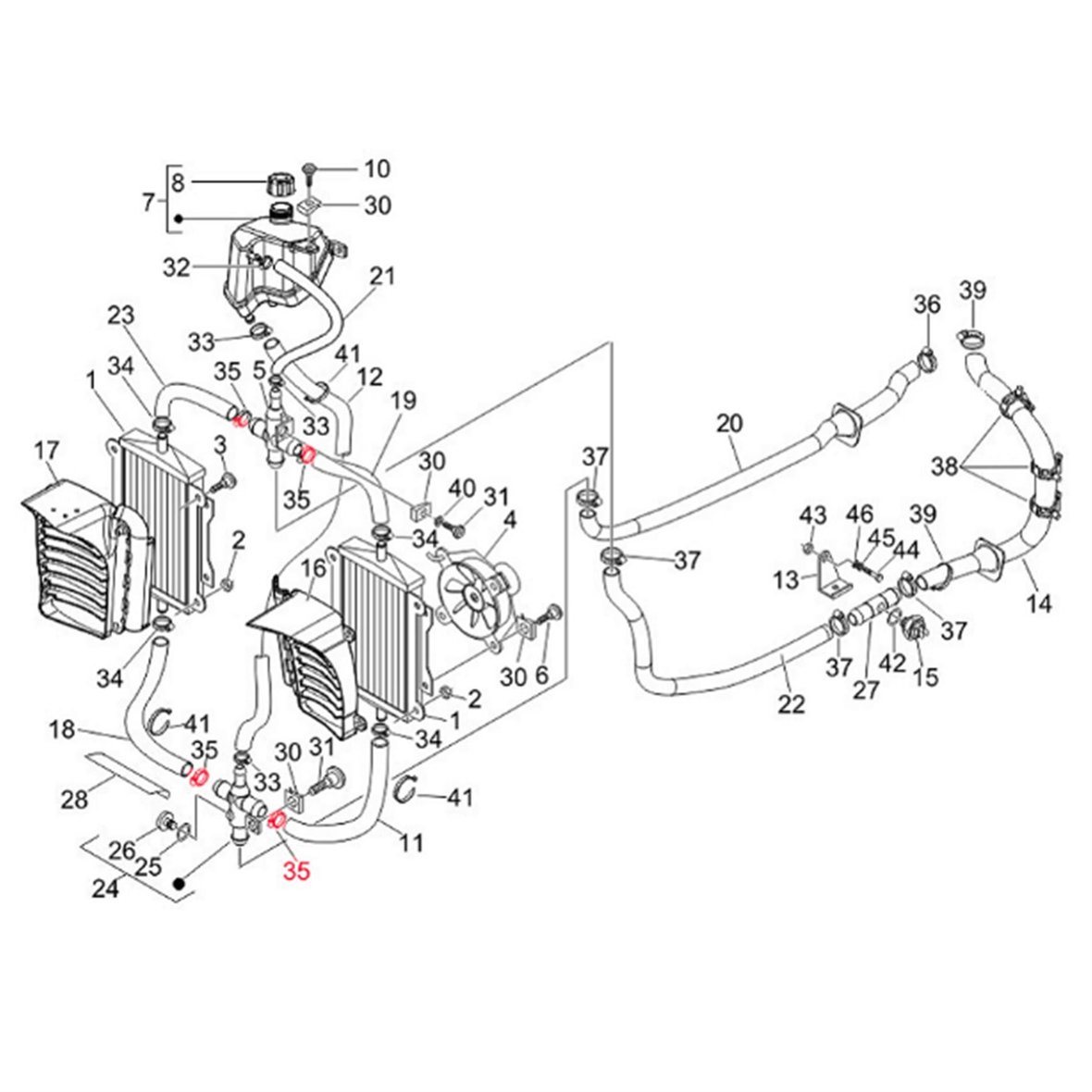
Beschreibung (O-Ring PIAGGIO, Abdeckung Thermostat Wasser) ist in Bearbeitung

Emblem für Kaskade mit stylischen Motiven. Bei den außergewöhnlichen Emblemen ist für jeden Geschmack was dabei, egal ob 6-eckiges oder 4-eckiges Logo für die Kaskade. hochwertiger Royal Plast Aufkleber Austausch der originalen Embleme möglich universell einsetzbar Die Montage Altes Emblem vorsichtig mit z.B. einem Cuttermesser entfernen, Grundplatte reinigen/entfetten, Schutzfolie abziehen und gut positioniert einkleben. Fazit: Ein kleines Teil, das die Optik aufwertet. Die richtige Montage - unser SIP-TIP

Typenschilder beschreiben die wichtigsten Fahrzeugdaten. Sie sind meist am Rahmenholm aufgenietet. Es gibt sie modellabhängig in verschiedenen Ausführungen. Mit Schlagzahlen oder einem Gravurstift muss immer noch die Fahrgestellnummer eingetragen werden. Je nach Typenschild müssen auch zulässiges Gesamtgewicht, Fahrzeugtyp und Baujahr nachgetragen werden. noch Fazit: TÜV und Polizei wollen es sehen das schöne I-Tüpfelchen am Rahmenholm

Kategorie: Online-Shop

Beschreibung (Gummischeibe SIP, Sitzbank) ist in Bearbeitung

Schulterring bzw. Distanzscheibe für Getriebe, Zahnrad und Gang. Gefertigt aus hochfestem Stahl mit geringer Fertigungstoleranz.Ein exakt eingestelltes Spiel zwischen den Gangzahnrädern ist mitverantwortlich für saubere Schaltvorgänge. Dieses Spiel wird über Distanzscheiben auf der Antriebswelle eingestellt. Distanzscheiben PX alt“ besitzen eine Nase, PX Lusso“ vier Nasen. Die PX Lusso“ Distanzscheiben können auch anstelle der PX alt“ verwendet werden. Ein PX Lusso Getriebe benötigt zwei Distanzscheiben und

Kategorie: Online-Shop

Venturi-Luftfilter von DOPPLER strömungsgünstiger Tuning-Luftfilter mit cleverem Flanschsystem und deutlich reduzierter Geräuschentwicklung.Der Venturi-Luftfilter von DOPPLER verjüngt sich zum Vergaser hin, wodurch sich das Gemisch beschleunigt und den Ansaugvorgang wirkungsvoll unterstützt vergleichbar mit einem zusammengedrückten Gartenschlauch, aus dem das Wasser mit höherem Druck austritt. Bei seriennahen Motoren bleibt eine einzelne Durchlassöffnung aktiv, bei getunten Setups kann zusätzlich eine vorge