Suchergebnisse für Roller Seite 1117
(35.805)
Einen kleinen Augenblick bitte,
Suchergebnisse werden geladen...
CARBONE Stoßdämpfer sind original Ersatzstoßdämpfer in hervorragender Qualität Made in Italy. Alle CARBONE Stoßdämpfer sind etwas straffer als das Original Fahrwerk. Die HiTech/Race Linie ähnelt vom Fahrverhalten den der Sportversionen. Die Federbeine sind über die Federvorspannung auf das Fahrverhalten einstellbar. Durch ihre zusätzliche CNC Optik sind sie eine super Alternative zu den Standard Dämpfern. SIP-TIPP: Silentgummis, Schrauben und Muttern sollten beim Stoßdämpferwechsel mit erneuert werden. SIP-
Beschreibung (Lenkkopflagersatz POLINI Kegelrollenlager oben 050.2658) ist in Bearbeitung
Hauptständer von verschiedenen Herstellern wieder sicherer Stand statt schiefer Vespa.Wer kennt es nicht: Im Lauf der Zeit gerät der Hauptständer immer mehr aus der Form. Erst ist es nur ein kleiner Knick aber durch die dauernde Belastung steht der Roller beim Parken irgendwann komplett schief. Im ungünstigsten Fall läuft der Vergaser über Nacht voll und am nächsten Morgen müsst ihr 20-mal kicken. Das muss nicht sein: Ein neuer Hauptständer ist schnell besorgt und montiert. Wir können euch Hauptständer in u
Schaltkreuz für Vespa Motoren hochbelastetes Kupplungselement für sicheren Kraftschluss zwischen Gangrad und Antriebswelle.Das Schaltkreuz gehört zu den am stärksten beanspruchten Komponenten im Vespa-Motor. Bei jedem Schaltvorgang wird es über Schaltraste und Schaltstange zwischen dem gewählten Gangzahnrad positioniert und stellt dort den Kraftschluss zwischen Zahnrad und Antriebswelle her. Mit steigender Motorleistung steigt auch die Belastung: Spätestens nach 1012.000 km ist das Lebensende eines Schaltkr
Get the Grip! Stoppie, Punktbremsung oder Burnouts: Dafür braucht ihr nicht nur Motorleistung und Fahrkönnen, sondern auch vernünftige Bremsbeläge. Bremsbeläge sind ein oft vergessenes Thema in Sachen Tuning oder Service. Da werden Scooter in allen Variationen getunt, damit sie schneller und stärker werden, aber kaum einer macht sich Gedanken darüber, ob man die Kiste auch wieder zum Stehen bringt. Je stärker der Motor und auch je älter die Bremsanlagen, desto wichtiger ist eine Optimierung an Belägen und S
Felge 10", offen, ReproAuch die Repro Felgen überzeugen durch Qualität. Die Gewinde sind frei und der einwandfreien, einfachen Montage steht nichts mehr im Wege. Erhältlich in Titan und weiß! Customize your Vespa. SIP TIPP: Neuen Schlauch und Reifen nicht vergessen!
Der Hersteller aus dem italienischen Städtchen Aprilia fertigt seit 1990 High End Rennreifen, die die Racing Szene im Sturm erobert haben. Roller- und Scooter-Racer schwören auf diese Pneus. Die PMT Racing Tyres sind in verschiedenen Mischungen in 10, 12 und 17 Zoll erhältlich. Fahrer der verschiedenen Rennserien in Italien, Deutschland und England vertrauen reihenweise diesen Reifen. Auch die Rennfahrer bei SIP Scootershop sind aus diesen Gründen von den Reifen überzeugt:Perfekte Traktion in Schräglage Reg
Sicherheitsschloss von GRIP LOCK. Die wohl einfachste und effektivste Variante seinen Roller oder Motorrad gegen Diebstahl zu sichern. Passt auf 95% aller Roller, Motorräder und ATV`s. Griffdurchmesser von 27-38mm. Kleines Packmaß (passt perfekt in Gepäckfach/Topcase/Tasche) Kann im Gegensatz zu Felgenschlössern nicht vergessen werden zu demontieren. Erhältlich in drei verschiedenen Farben: gelb, rot, schwarzGewicht: 330gr Abmessungen: 15x4,5x4,5cm Material Edelstahl Pins.
Neu im Programm! Ganz frisch eingetroffen und ab jetzt bei uns erhältlich. Get it !
Beschreibung (Blinkrelais, C-4727542 - 195703) ist in Bearbeitung
Die Hauptaufgabe der Kolbenringe ist es, den Brennraum gegenüber dem Kurbelgehäuse abzudichten und den Wärmefluss vom Kolben zum Zylinder zu gewährleisten. Darüber hinaus sind sie aber auch zur Regelung des Schmierölhaushaltes von großer Bedeutung. Sie sind dementsprechend stark beansprucht, unterliegen Verschleiß und sollten regelmäßig getauscht werden. Kompressionsverlust, nachlassende Leistung und schlechtes Startverhalten sind ein eindeutiges Indiz für verschlissene Kolbenringe. Für viele Modelle und Zy
Ein Kickstarter ist mehr als nur ein Ersatzteil. Er rundet eine Restauration oder einen Custom ab. Wird er häufig getreten, nützt sich die Verzahnung ab. Dann spätestes muss er getauscht werden. Original Kickstarter sind aus Aluminium. Aus dem Zubehörbereich sind auch verchromte, blau eloxierte und Carbon-Look Kickstarter zu haben. Die Smallframe Kickstarter V50/PV/ET3, PK und XL können untereinander getauscht werden. SIP-TIPP: Kickstartergummis schonen Schuhsohle und Schienbein. Auch für Smallframes erhält
Der Luftfilter verhindert, dass der Vergaser Schmutzpartikel ansaugt, die zu Beschädigungen an Vergaser und Motor führen und die Laufleistung verschlechtern können. Er sollte regelmäßig gereinigt und bei einem größeren Service auch ausgetauscht werden.SIP-TIPP: Der Luftfilter dankt eine gelegentliche Reinigung mit Bremsen- oder Luftfilterreiniger mit längerer Lebensdauer.
Hier handelt es sich um ein original PIAGGIO Ersatzteil in erstklassiger Qualität. PIAGGIO Teile werden einer aufwändigen Qualitätssicherung unterzogen und stehen für lange Lebensdauer.
Beschreibung (Zündschloss, 146356 - 148151) ist in Bearbeitung
Beschreibung (Lager Schwinge FA 12x18x12 mm 174099) ist in Bearbeitung
Dickere Fuß- und Kopfdichtungen/ Spacer werden für höhergesetzte Zylinder und Zylinder mit verlängertem Hub benötigt.Bei Verwendung einer Langhubwelle muss die halbe Länge des Mehrhubes durch eine Kopf- und/oder Fußdichtung ausgeglichen werden. Bei einem Ausgleich durch eine Fußdichtung verlängern sich die Auslasszeiten, die Überströmzeiten werden deutlich länger. Wird der Auslass noch durch Fräsen zusätzlich etwas angehoben, optimiert man den Motor für höhere Drehzahlen. Ein Ausgleich durch eine Kopfdichtu
Beschreibung (Stift Bremsarm 5x11 mm) ist in Bearbeitung
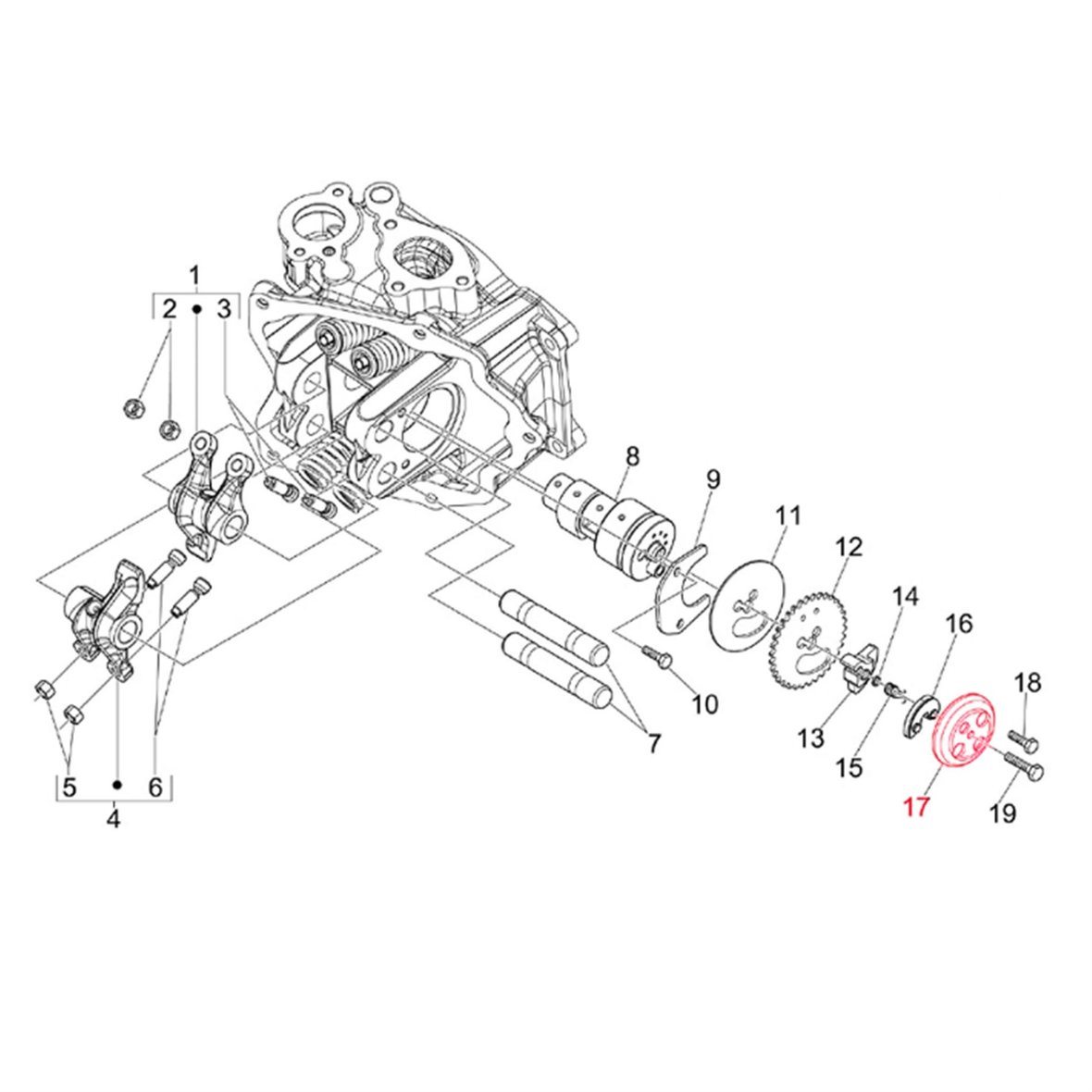
Hier handelt es sich um ein original PIAGGIO Ersatzteil in erstklassiger Qualität. PIAGGIO Teile werden einer aufwändigen Qualitätssicherung unterzogen und stehen für lange Lebensdauer.
Hier handelt es sich um ein original PIAGGIO Ersatzteil in erstklassiger Qualität. PIAGGIO Teile werden einer aufwändigen Qualitätssicherung unterzogen und stehen für lange Lebensdauer.
Diese Kleinteile gehören zum Pflichtaustauschprogramm. Wer bei diesen Kleinteilen spart, muss es später oft bitter bereuen. Nichts ist ärgerlicher, als dass man inmitten einer Schrauborgie von einem fehlenden oder defekten Cent-Teil ausgebremst wird.
Beschreibung (Trennpilzbuchse CASA LAMBRETTA) ist in Bearbeitung
Die SIP Style Blinkergitter sind der Blickfang an eurer Vespa. Durch das hochwertige 3M Klebeband ist eine einfache Montage ohne großen Aufwand möglich. Die Blinker können de- bzw. montiert werden, ohne die Gitter abzunehmen. Hinweis: Vor dem Anbau am Fahrzeug sollten die Blinker gründlich von Schmutz-, Fett- und anderen Rückständen gereinigt werden um einen sicheren Halt der Blinkergitter zu gewährleisten. SIP-TIPP: Mit weiteren Anbauteilen wie Rücklichtgitter, Monoschlitzrohren oder farblich passenden Spi
Hier handelt es sich um ein original PIAGGIO Ersatzteil in erstklassiger Qualität. PIAGGIO Teile werden einer aufwändigen Qualitätssicherung unterzogen und stehen für lange Lebensdauer.